The DMC-FC 00-X Series EMI/RFI power line filters provide 100 dB attenuation from 14 kHz to 10 GHz with extended range buffer network performance. Designed for military, TEMPEST, and secure communication applications, these filters ensure superior noise suppression, rugged construction, high reliability, and long-term fail-free operation.
These Filters are available in two series
DMC-FC 00-W: 100dB attenuation from 14 kHz to 10 GHz measured per MIL-STD-220A full load
DMC-FC 00-X: 100dB attenuation from 14 kHz to 10 GHz measured per MIL-STD-220A full load. SPECIAL: Measured from 14 kHz to 20 MHz under full load condition with extended range buffer network
HIGHLIGHTS: High reliability. Special design and construction developed for secure communication areas, tempest shielded rooms. Designed for many years of continuous fail free service. All filters are field replaceable.
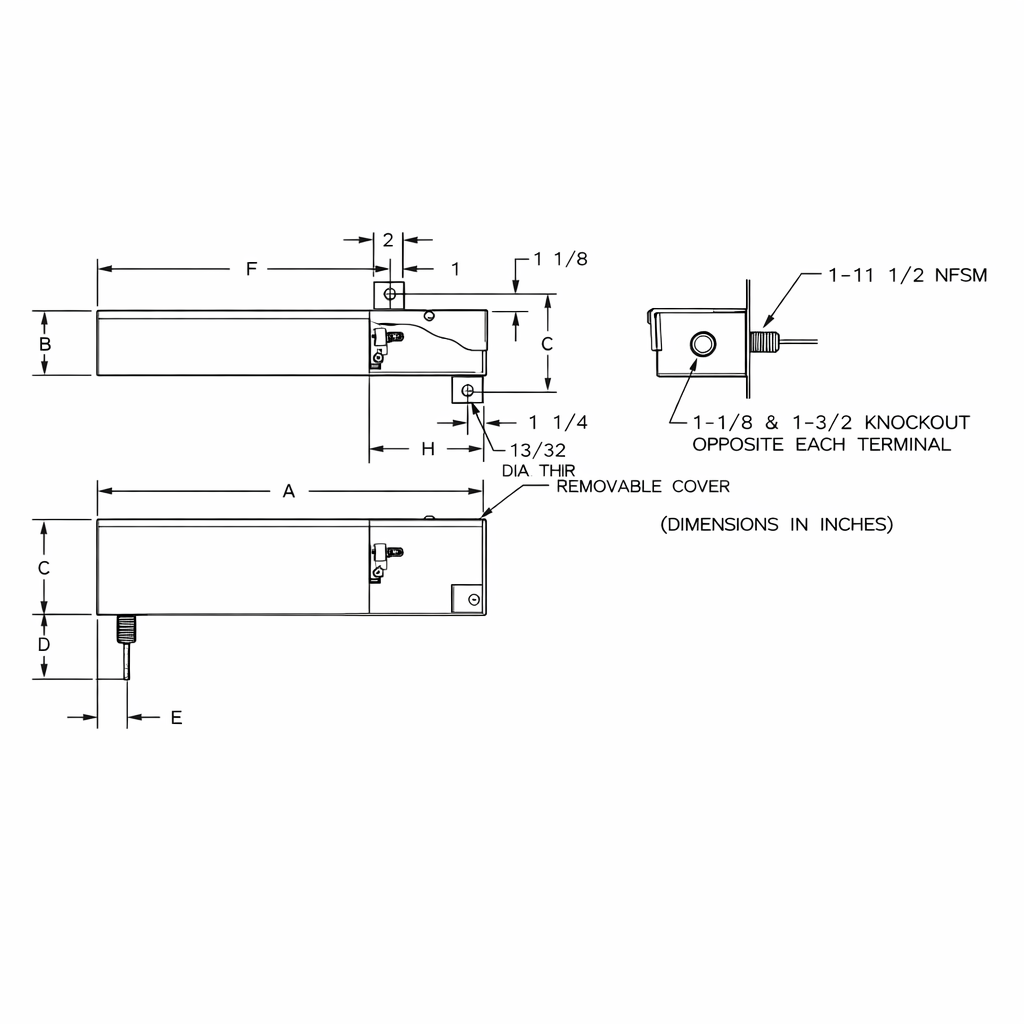
| PART NO. | CURRENT (AMPERES) | DIMENSIONS (INCHES) | CONDUIT ENTRY DIA. | APPROX. WEIGHT (LBS.) | |||||||
|---|---|---|---|---|---|---|---|---|---|---|---|
| A | B | C | D | E | F | G | H | ||||
| DMC-FC00-X-2x5 | 2x5 | 12 1/2 | 19 | 12 | 9 | 5 | 5 | 5.75 | 5.75 | 7/8 | 75 |
| DMC-FC00-X-3x5 | 3x5 | 20 | 29 | 15 | 22 | 17 | 2 | 5.75 | 5.75 | 7/8 | 110 |
| DMC-FC00-X-4x5 | 4x5 | 20 | 29 | 15 | 22 | 17 | 2 | 5.75 | 5.75 | 7/8 | 130 |
| DMC-FC00-X-2x30 | 2x30 | 12 1/2 | 19 | 5 | 14 | 14 | 5 | 2 | 4.25 | 1 3/8 | 135 |
| DMC-FC00-X-3x30 | 3x30 | 20 | 37 | 5 | 22 | 23 | 2 | 4.25 | 4.25 | 1 3/8 | 165 |
| DMC-FC00-X-4x30 | 4x30 | 20 | 37 | 5 | 22 | 23 | 2 | 4.25 | 4.25 | 1 3/8 | 200 |
| DMC-FC00-X-2x60 | 2x60 | 15 1/8 | 41 | 17 | 17 1/2 | 36 | 5 | 9.38 | 9.38 | 1 1/4 | 230 |
| DMC-FC00-X-3x60 | 3x60 | 25 | 48 | 11 | 27 | 36 | 5 | 9.38 | 9.38 | 1 1/4 | 320 |
| DMC-FC00-X-4x60 | 4x60 | 25 | 48 | 11 | 27 | 36 | 5 | 9.38 | 9.38 | 1 1/4 | 380 |
| DMC-FC00-X-2x100 | 2x100 | 16 1/8 | 40 | 11 | 18 1/2 | 36 | 5 | 9.38 | 9.38 | 2 | 290 |
| DMC-FC00-X-3x100 | 3x100 | 25 | 60 | 11 | 40 | 44 | 5 | 9.38 | 9.38 | 2 | 400 |
| DMC-FC00-X-4x100 | 4x100 | 25 | 60 | 11 | 27 | 44 | 5 | 9.38 | 9.38 | 2 | 450 |
| DMC-FC00-X-2x200 | 2x200 | 25 | 60 | 11 | 27 | 44 | 5 | 10 | 10 | 3 | 750 |
| DMC-FC00-X-3x200 | 3x200 | 25 | 60 | 11 | 40 | 44 | 5 | 10 | 10 | 3 | 900 |
| DMC-FC00-X-4x200 | 4x200 | 25 | 60 | 11 | 40 | 44 | 5 | 10 | 10 | 3 | 900 |
| DMC-FC00-X-4x300 | 4x300 | 50 | 90 | 11 | 54 | 59 | 4 | 10 | 10 | 3x4 | 900 |
Fill out our quick contact form - fast quotes & customized solutions guaranteed!